Ürün Açıklaması

← Ürünlere Dön
Yapıştırma Sistem Görsel 1
Yapıştırma Sistem Thumbnail 1 Yapıştırma Sistem Thumbnail 2 Yapıştırma Sistem Thumbnail 3 Yapıştırma Sistem Thumbnail 4 Yapıştırma Sistem Thumbnail 5 Yapıştırma Sistem Thumbnail 6

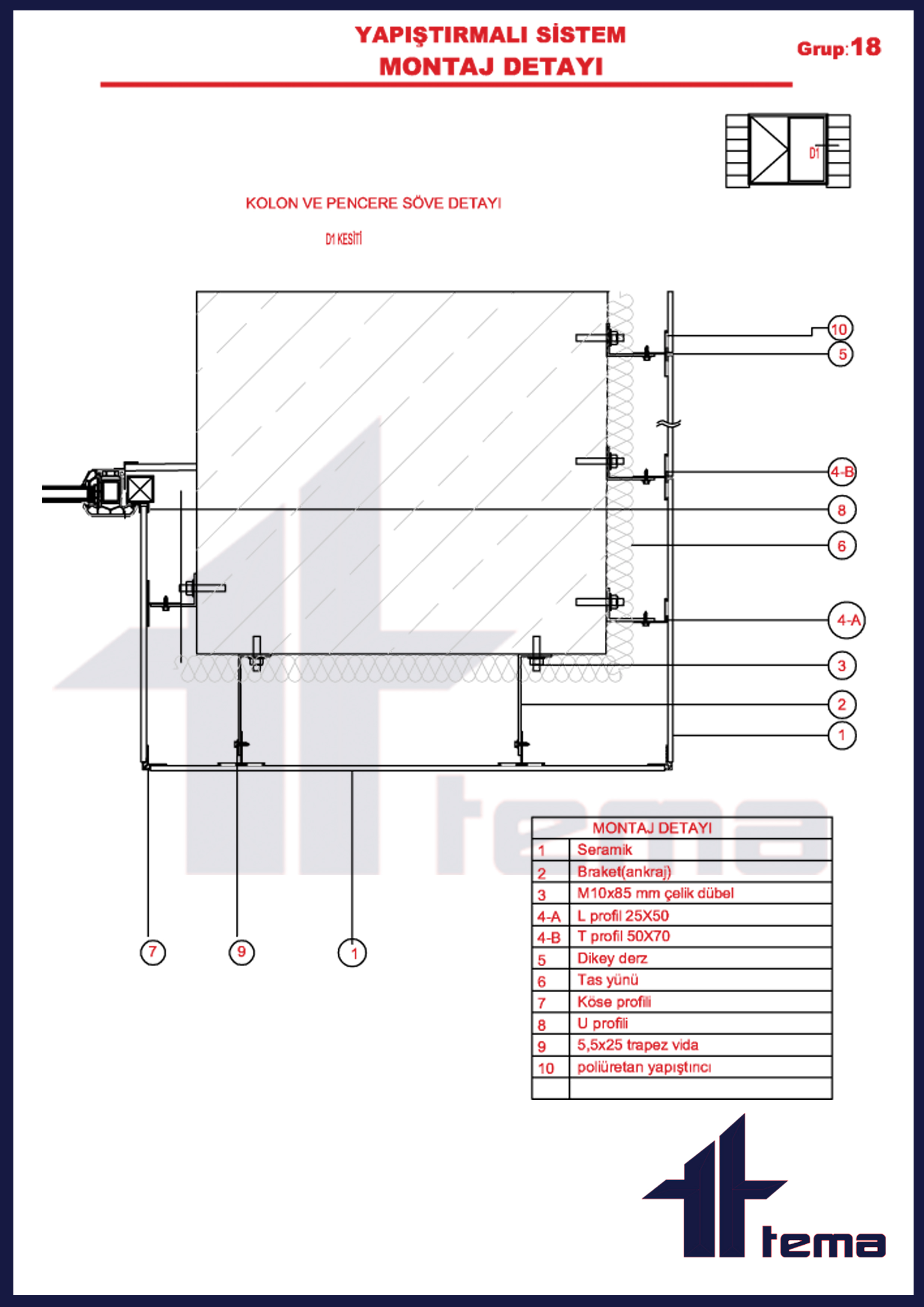
Yapıştırmalı Sistem, seramik ve kompakt laminat gibi malzemelerin poliüretan yapıştırıcı ile dikey profillere sabitlendiği ekonomik ve hızlı bir dış cephe kaplama çözümüdür. Paneller, taşıyıcı profillere poliüretan yapıştırıcı ile güvenli şekilde sabitlenir.

Avantajları
  • Tüm malzeme türleri ile uyumludur.
  • Açık veya kapalı derz yapılabilir.
  • Yalnızca dikey taşıyıcı profiller gerektirir.
  • Güçlü poliüretan yapıştırıcı ile güvenli montaj sunar.
  • Isı yalıtımı ile birlikte uygulanabilir.
  • Havalandırmalı yapısı nem ve rutubeti engeller.